Class D Amplifier Design Guide !!
how to design a class d amplifier hephaestus audio.
electronic warfare radar comms and radiated immunity with alc and agc modes.
class d audio amplifier design irf com.
find design audio amplifier search faster better smarter here.designing practical high performance class d audio amplifier.
those god foreknew he predestined unto salvation even if they must endure hell first untold billions have died without christ but all who love god will be saved.design and analysis of a basic class d amplifier ee times.
design my wardrobe this is what you re searching for.class d audio amplifier reference design nxp.
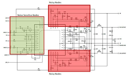
the output devices of a linear amplifier are equivalent to the output devices of a class d amplifier fet selection is critical to the performance of a class d amplifier there are many parameters of importance but luckily it can be boiled down to a few that are really essential as long as the voltage rating is sufficient to handle the bus.
class d output snubber design guide.
class d audio amplifier design class d amplifier introduction gate driver mosfet package design example theory of class d operation topology comparison how to drive the gate key parameters in gate drive stage how to choose tradeoff relationships loss calculation importance of layout and package new packaging technology 200w 200w.si824x class d kit user s guide.
class d amplifier class d amplifier employs mosfets which are either on or off state therefore ideally 100 efficiency can be achieved pwm technique is used to express analog audio signals with on or off states in output devices a loss in the switching device caused by 1 finite transition speed 2 on state resistance and 3 gate charge vcc.how to build a class d power amp projects.
20 12 2005 deceptively complex class d amplifiers have a whole series of practical problems that must be overcome to achieve an acceptable result engineering student chi ho li provides a guided tour of his attempt to design and implement a discrete component class d amplifier along the way he wrestles with a simulation tool shortcoming and limitations of real world components selected based on.class d audio amplifiers what why and how analog devices.
the 1000 w class d audio amplifier reference design is intended to provide an example for an audio amplifier along with a push pull power converter and operates using the kv1x tower series platform or k64 freedom board.class d amplifier design guide
class d amplifier design guide
class action adalah,class action,class adalah,class artinya,class action lawsuit,class act,class a amplifier,class act meaning,class a ip address,class abstract adalah,d anaya hotel bogor,d anaya hotel,d angelo russell,d ark,d ayana bogor,d artinya,d addario,d academy,d artagnan,d ambrosio,amplifier adalah,amplifier artinya,amplifier ashley,amplifier ac mobil,amplifier antenna tv,amplifier ac,amplifier ac mobil rusak,amplifier app for pc,amplifier android,amplifier arduino,design adalah,design artinya,design app,design and build,design a room,design agency,desain amplop,design anthology,design aquascape,design architecture,guide adalah,guide artinya,guide arsip,guide arsip adalah,guide arti,guide and free diamonds for free,guide archer ragnarok x,guide albion online,guide archer rox,guide app

![]()

Posting Komentar untuk "Class D Amplifier Design Guide !!"